山东
辉华电器
有限公司
从事开发、 生产、销售于一体的民营科技型电力制作企业
咨询热线
0534-3776988
159-5341-6001
辉华首页
接地线
关于我们
公司介绍
荣誉资质
产品中心
接地线系列
标志牌系列
绝缘工具系列
金具系列
电缆终端系列
熔断器系列
隔离开关系列
真空断路器系列
行业资讯
企业快讯
行业新闻
成功案例
联系我们
联系我们
在线留言
名称:
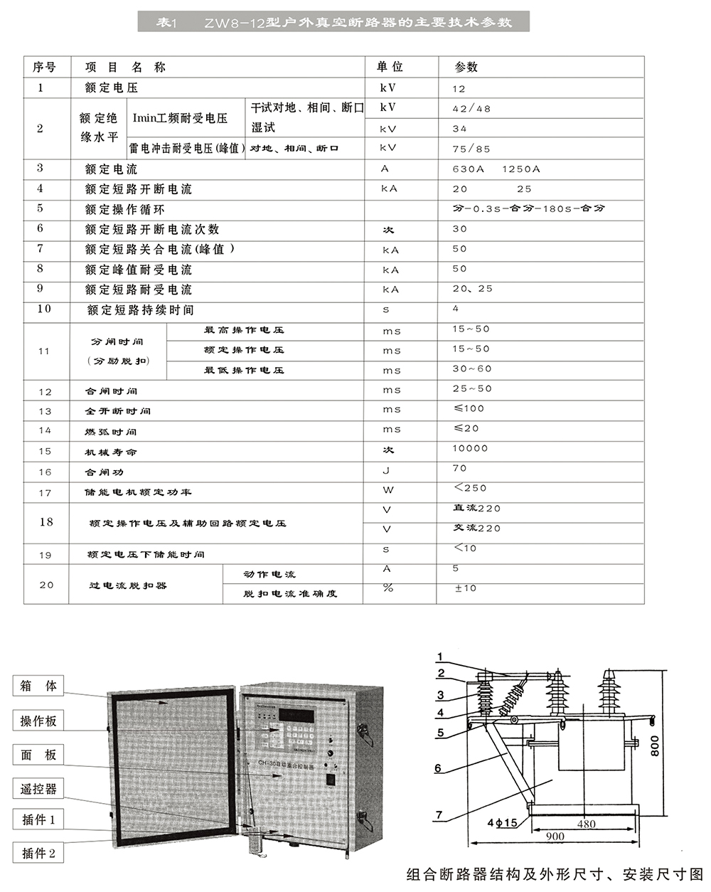
CT23-S.D弹簧储能机构
详细信息
上一个
返回目录